Poznatky, získané při studiu předchozích kapitol, popisujících předevím příklady z technické praxe, můeme vyuít v řadě dalích disciplín.
Ukame si to alespoň na jedné oblasti, která se v poslední době značně rozvíjí, a to na simulaci ekologických systémů
(ekosystémů).
V této kapitole budou postupně představeny matematické modely různých ekologických systémů a simulace jejich chování na číslicovém počítači
[1, 9, 12]. Nejjednoduím modelem, který uvedeme, je simulace chování výky hladiny ledovcového jezera v závislosti na přítoku
vody. Na příkladu věnovaném růstu populace baktérií ukáeme postup při návrhu nejjednoduího modelu systému a jeho následné zdokonalování. Přitom
předpokládáme, e baktérie mají neomezený přísun ivin. Systém tedy nebude obsahovat ádnou vstupní veličinu, výstupní veličinou bude počet baktérií
v populaci, označíme ji y(t).
Vyetřujeme ledovcové jezero bez přirozeného odtoku. Definovali jsme systém, jeho vstupní veličina u(t) je přítok vody do jezera [m3s-1] a výstupní veličina y(t) je výka hladiny v jezeře [m]. Provedeme identifikaci závislosti výky hladiny jezera na přítoku. Při identifikaci provedeme několik zjednoduení. Vdy se budeme snait postihnout hlavní vlivy na chování systému a potlačit vlivy podruné. Tím značně zjednoduíme postup práce.
Matematický model ledovcového jezera
Při stanovení zákonitosti v chování jezera vyuijeme platnosti zákona o zachování hmoty. Za krátký časový úsek (označíme ho
t) přiteče do jezera mnoství vody rovné
t.u(t) (pro zjednoduení předpokládáme, e přítok vody během okamiku
t je konstantní). Za stejný okamik se z jezera odpaří čás vody. Mnoství odpařené vody závisí na rychlosti odpařování k1[ms-1] a ploe hladiny S [m2].
Celkově se za okamik
t odpaří mnoství vody rovné
tk1S. Zbytek vody, který se neodpaří, se v jezeře uloí a způsobí zvýení hladiny o výku
y (přitom předpokládáme, e plocha hladiny je pro celý přírůstek výky
y konstantní), take se v jezeře uloí
mnoství vody rovné
yS. Celá rovnice zákona o zachování hmoty je pak :

Vimněme si v rovnici (4.1) provedené rozměrové kontroly. Rozměry vech sčítanců v rovnici musí být stejné. Rozměrová
kontrola je nejjednoduí způsob, jak si ověřit správnost postupu při sestavování rovnice. Nemusí vak ukázat vechny nae
chyby. Rovnici (4.1) upravíme dělením
t a
provedeme limitní přechod
--> d. Dostaneme diferenciální rovnici :
![]()
která popisuje chování výky hladiny jezera v závislosti na přítoku vody. V rovnici vystupují parametry k1 a S, které vak nejsou konstantní. Zatímco rychlost odpařování závisí na okolí systému (teplota a vlhkost okolí), plocha hladiny závisí na výce hladiny a profilu jezerního údolí. Rychlost odpařování můeme zastoupit její střední hodnotou.
Závislost plochy jezera na výce hladiny vak musíme vyjádřit, např. graficky, viz obr. 4.1. Závislost plochy jezera na výce hladiny je zde popsatelná nejspíe nějakou kvadratickou funkcí. Pro zjednoduení modelu provedeme linearizaci závislosti plochy hladiny na výce hladiny. Skutečnou závislost popíeme pomocí lineární závislosti, jak je ukázáno na obr. 4.1. Přitom musíme zajistit, aby linearizovaný průběh procházel počátkem souřadnicového systému, např. posunutím počátku souřadnicového systému. Linearizace je velmi častý způsob zjednoduování modelů. Závislost plochy hladiny na výce hladiny je pak:
![]()
Z rovnic (4.2) a (4.3) pak můeme vyjádřit závislost derivace výky hladiny na čase (to je vlastně rychlost změn výky hladiny) :
Tím jsme získali matematický popis chování výky jezera a současně také jeho matematický model. Vimněme si vak důleité skutečnosti. Při úpravě rovnice jsme provedli dělení plochou S. To je moné jen tehdy, pokud nemůe být plocha hladiny S nulová, nebo-li při práci s modelem takový případ musíme vyloučit.
Simulační model ledovcového jezera
Ukame si nyní sestavení simulačního modelu systému výky hladiny jezera, který byl popsán rovnicí (4.4). Nejprve sestavíme bloky, které vytvoří hodnotu pravé strany rovnice. Tak získáme hodnotu derivace výky hladiny. Tuto hodnotu budeme integrovat, čím získáme hodnotu výky hladiny. Celý simulační model je na obr. 4.2 {soubor JEZERO.SIP}. Jako vstupní veličina je přiveden jednotkový skok polohy (Heavisedeův skok), řeením modelu pro čas t = <0; 200> [den] získáme přechodovou charakteristiku systému, viz obr. 4.3.
Verifikace simulačního modelu ledovcového jezera
Jakmile jsme sestavili simulační model chování jezera, ověříme si správnost modelu srovnáním s experimentálně naměřenými údaji. Vycházíme přitom ze situace, kdy přítok vody (vstupní veličina) do jezera je stálý, take výka hladiny (výstupní veličina) se ustálila na konstantní hodnotě, protoe přítok vody a odpařování je v rovnováze. Současný přítok u(0) = 0,2 m3den-1 a současnou výku hladiny y(0) = 2 m označíme jako nulovou, u(0) = 0, y(0) = 0. Nyní přivedeme náhle (skokem) dodatečný přívod vody o jednotku mnoství za jednotku času (např. o 0,8 m3den-1). Čas ve kterém se tak stane označíme t = 0. Průběh výky hladiny (přechodová charakteristika systému) je uvedena na obr. 4.4.
Zvyování hladiny způsobuje také zvětení plochy hladiny a tím také zvětení odpařování vody. Proto po určitém čase dojde k ustálení
hladiny na nové hodnotě. Systém vykazuje setrvačnost vůči změnám vstupní veličiny.
Pokud by se jezero nalézalo v údolí se svislými stěnami, pak by se hladina nezvětovala (tedy ani odpařování) a hladina jezera by neustále
stoupala, viz obr. 4.5.
Takový systém nazývámeintegrační. Je zajímavý také tím, e pro něj nelze určit statickou charakteristiku, nebo neexistuje ustálený stav pro jiné, ne nulové hodnoty vstupní veličiny.
Nyní můeme provést srovnání přechodové charakteristiky získané řeením modelu s naměřenou přechodovou charakteristikou a verifikovat (zkontrolovat) správnost modelu, případně ho upravit. Tím je model připraven pro experimentování.
Experimenty s modelem ledovcového jezera
Závěrečnou fází a také cílem celého snaení, je provedení simulace chování systému při poadovaných vstupních veličinách. Do simulačního
modelu systému přivedeme vstupní veličiny poadovaných průběhů a vyřeením zjistíme odezvu výstupních veličin.
Na modelu výky hladiny jezera řeme kolísání výky hladiny v závislosti na přítoku vody, který je popsán rovnicí :
u(t) = 0,3 - 0,1cos(0,01t)
K experimentu vyuijeme model systému výky hladiny jezera z obr. 4.2. V čase t = 0 je systém v ustáleném stavu, nebo podle rovnice (4.4) popisující model systému je derivace výky hladiny podle času při zadaných počátečních podmínkách nulová, to znamená, e výka hladiny se nemění. Místo bloku č. 6 vak připojíme bloky realizující poadovanou hodnotu vstupní veličiny, viz obr. 4.6 {soubor JEZERO1.SIP}.
Na obr. 4.7 vidíme výslednou závislost výky hladiny na hodnotě vstupní veličiny popsané rovnicí (4.5). Vidíme, e vstupní veličina kolísá mezi hodnotami <0,2; 0,4> [m3den-1] a způsobuje změnu hladiny v rozsahu <2, 4> [m].
V simulačním experimentu budeme dále pokračovat vyetřováním vlivu člověka na systém. Např. se u jezera má postavit chata, která bude odebírat část vody
pro své potřeby. Naím úkolem je zjistit vliv odběru vody na chování hladiny jezera. Odběr vody člověkem způsobí zmenení přítoku vody, předpokládejme,
e tato situace nastane skokem v čase t = 300 dní {soubor JEZERO2.SIP}.
Na obr. 4.8 vidíme chování hladiny pro dva
různé odběry vody. Odběr 0,01 m3den-1 způsobil téměř nepozorovatelný rozdíl oproti systému bez odběru člověkem
(zobrazeno tučnou čarou). Při odběru 0,1 m3den-1 (100 litrů vody za den) dojde k prudkému přechodu a hladina
dále kolísá v hodnotách o celý metr niích (zobrazeno tenkou čarou). Vliv na systém je tedy podstatný.
Závěr
Po sestavení matematického modelu chování výky hladiny ledovcového jezera v závislosti na přítoku vody jsme získali monost simulačně ověřit vliv zásahu člověka na tento systém a získat tak znalosti potřebné k rozhodnutí o povolení nebo zakázání tohoto zásahu. Jak se ukázalo, byl by poadovaný zásah příli razantní a podstatně by ovlivnil výku hladiny jezera. Následně pak můeme zkoumat jaký vliv by měla změna výky hladiny na rostliny a ivočichy v jezeře apod.
Druhým příkladem ( prvním je ledovcové jezero ) je řeení růstu bakteriální populace. Na tomto příkladu si podrobněji ukáeme postupné zpřesňování modelu od nejjednoduího a nejméně přesného a k modelu velmi dobře popisujícímu chování bakteriální populace.
Matematický model systému exponenciálního růstu populace
Pro sestavení nejjednoduího modelu předpokládáme, e rychlost růstu baktérií (derivace) výstupní veličiny podle času) je úměrná počtu baktérií. Předpokládáme přitom, e tato úměrnost je lineární.
Takto získáme diferenciální rovnici popisující růst bakteriální populace:
![]()
kde je k1 - frekvence dělení baktérií [hod-1],
y(t) - výstupní veličina - počet baktérií.
Jak uvidíme na výsledku simulace růstu populace, počet jedinců v čase poroste exponenciálně, proto se o rovnici (4.6) hovoří jako o rovnici
exponenciálního růstu.
Simulační model systému exponenciálního růstu populace
Nyní sestavíme simulační model systému. Předpokládáme, e počáteční počet baktérií je y(0) = 1000 a frekvence dělení baktérií je k1
= 0,7 hod-1.
Nejprve definujeme pouité konstanty :
YNULA = 1000,
K1 = 0,7 .
Nyní začneme sestavovat vlastní simulační model. Základem bude blok INT realizující numerickou integraci. Na jeho vstup přivedeme hodnotu derivace výstupní veličiny a na jeho výstupu dostaneme výstupní veličinu. Jako parametry přitom zadáváme předevím počáteční hodnotu výstupní veličiny YNULA. Výstupní hodnotu z integrátoru přivedeme do bloku ZES, který realizuje násobení konstantou, jako konstantu zadáme hodnotu K1 a výstup z bloku ZES přivedeme na vstupy integrátoru. Tím je celý model definován, viz obr. 4.9. {soubor BAKTER1.SIP}.
Nyní zavedeme simulační model do programu SIPRO. K provedení simulace zadáme potřebné časové údaje. Čas simulace začíná vdy pro t = 0 hod, zadáme tedy koncový bod t = 10 hod. Dále zadáme krok řeení numerické integrace, krok řeení = 0,01. Krok ukládání určuje které vypočtené body budou uloeny pro zobrazení grafu. Omezení velikosti paměti počítače způsobuje, e lze takto uloit nejvýe 1600 vypočtených bodů. Zvolíme tedy krok uloení = 0,1. Tím je nastavení ukončeno. Spustíme provedení výpočtu a zobrazíme časový graf řeení, viz obr. 4.10.
Matematický model systému logistického růstu populace
Rovnice (4.6) nevystihuje skutečnost, e zároveňs buněčným dělením probíhá odumírání starých buněk a proto populace ve skutečnosti přirůstá pomaleji. Po určitém čase dojde k rovnováze mezi přírůstkem a úbytkem baktérií a počet baktérií se ustálí na konstantní hodnotě (ustálený stav). Do matematického modelu proto musíme zahrnout korekci. Předpokládáme přitom, e odumírání baktérií způsobí zmenení frekvence dělení baktérií. Toto zmenení bude úměrné počtu jedinců v populaci. Tak dostaneme tzv. logistickou rovnici růstu populace :
![]()
kde je k1 - frekvence dělení baktérií bez odumírání [hod-1],
k2 - konstanta úměrnosti odumírání baktérií [hod-1].
Simulační model systému logistického růstu populace
Simulační model logistického růstu
populace je na obr. 4.11 {soubor BAKTER2.SIP}.
Na obr. 4.12 vidíme výsledek simulace a zřetelné ustálení počtu baktérií v populaci na hodnotě
y(
) = 1 000 000.
Matematický model systému růstu populace podle Hutchinsonovy rovnice
Dalím zpřesněním modelu je zahrnutí skutečnosti, e aktuální ovlivnění rychlosti mnoení baktérií nezávisí na současném počtu baktérií, ale na počtu baktérií v minulé generaci. Zavedením této skutečnosti do matematického modelu získáme tzv. Hutchinsonovu rovnici růstu:
![]()
kde je Td - délka buněčného cyklu [hod].
Simulační model systému růstu populace podle Hutchinsonovy rovnice
Její simulační model je na obr. 4.13{souborBAKTER3.SIP}.
Na obr. 4.14 vidíme výsledek simulace a zřetelné ustálení počtu baktérií v populaci na hodnotě
y(
) = 1 000 000.
Závěr
Postupným zvyováním sloitosti modelu jsme dospěli a do situace, kdy získaný matematický model dosahuje dobré shody se skutečností.
V tomto příkladu naváeme na předchozí příklad, ve kterém jsme rozebírali růst bakteriální populace. Vycházeli jsme přitom z předpokladu, e zdroje růstu nejsou nijak omezeny. Ve skutečnosti tomu tak není. Proto se nyní budeme zabývat vlivem postupného vyčerpávání zdrojů na růst populace.
Matematický model růstu v prostředí s omezenými zdroji
Při sestavování matematického modelu vyjdeme z následujících úvah. Mnoství dostupných zdrojů se v závislosti na velikosti populace v čase mění. Přitom platí:
![]()
kde je z - aktuální mnoství dostupných zdrojů,
z0 - počáteční mnoství dostupných zdrojů,
k3 - spotřeba zdrojů jednoho jedince [hod-1].
Vzhledem ke skutečnosti, e počet jedinců v populaci nemůe být záporný, musí mnoství dostupných zdrojů stále klesat, a klesnou pod pouitelnou mez
(vyčerpají se).
Vliv klesajícího mnoství dostupných zdrojů se zřejmě bude projevovat také přímo na růstu populace. Tento vliv bude zřejmě nepřímo úměrný
mnoství dostupných zdrojů, připadajících na jednoho jedince:

kde je k4 - mnoství dostupných zdrojů připadající na bakterii.
Růst populace je pak popsán následující rovnicí:

kde je k5 - konstanta úměrnosti odumírání baktérií způsobeném nedostatkem dostupných zdrojů [hod-1].
Simulační model růstu v prostředí s omezenými zdroji
Odpovídající simulační model je uveden na obr. 4.15 {soubor BAKTER4.SIP}.
Na obr. 4.16 vidíme průběh růstu populace, který je na svém počátku málo ovlivněn nedostupností zdrojů, proto je prakticky stejný, jako vývoj v prostředí neomezených zdrojů. Postupným poklesem mnoství dostupných zdrojů se populace začíná sniovat, a náhle velmi rychle zaniká.
Na obr. 4.17 je zkoumán vliv sníení frekvence dělení bakterií z hodnoty k1 = 0,7 na k1 = 0,6. Doba ivota kolonie se prodlouila za cenu zmenení její velikosti, rychlost jejího zániku je výrazně nií, ale zánik kolonie je samozřejmě nevyhnutelný.
Závěr
Simulací jsme zjistili jak se bude vyvíjet populace v prostředí s omezenými zdroji. Zajímavý je předevím prudký zánik populace, jakmile mnoství dostupných
zdrojů výrazně poklesne.
Velmi zajímavý je systém osídlování ostrova jednotlivými druhy organismů. Systém je závislý pouze na předchozím počtu druhů na ostrově ( tímto se zabývala předchozí kapitola růst v prostředí s omezenými zdroji ). Systém tedy nemá vstupní veličinu, výstupní veličinou je počet druhů na ostrově.
Matematický model systému osídlování ostrova
Model systému je obvykle sestavován následovně. Za jednotku času přibude na ostrově počet druhů nepřímo úměrný vzdálenosti ostrova od pevniny a nepřímo úměrný počtu druhů na ostrově. Za stejnou jednotku času vymře na ostrově počet druhů přímo úměrný na aktuálním počtu druhů. Model je tedy obvykle sestavován v následující podobě :

kde je
k1 - konstanta rychlosti přírůstku druhů závislá na převrácené hodnotě vzdálenosti ostrova [rok-1],
k2 - konstanta rychlosti přírůstku druhů - v poměru s konstantou k1 určuje přírůstek druhů na neosídleném ostrově,
k3 - konstanta rychlosti vymírání druhů na ostrově [rok-1].
Simulační model systému osídlování ostrova
Odpovídající simulační model je na obr. 4.18 {soubor OSTROV.SIP}.
Závěr
Na obr. 4.19 vidíme výsledek simulace a zřetelné ustálení počtu na hodnotě y(
) = 27. Pouité hodnoty konstant odpovídají osídlování ostrova Krakatoa ptactvem po katastrofě v roce 1883 do roku 1921.
Systém příjmu potravy ( který nepřímo souvisí s kapitolou osidlování ostrova ) je popsán pomocí čtyř stavových veličin, které definují jeho okamitý stav (někdy jsou
označovány jako kompartmenty). Na obr. 4.20 je zobrazena interakce jednotlivých prvků systému (popsaných
stavovými veličinami) za jednotku času. Význam stavových veličin je následující :
C1 - koncentrace určité sloky potravy v aludku,
C2 - koncentrace určité sloky potravy v krvi,
C3 - koncentrace určité sloky potravy ve tkáních,
C4 - koncentrace určité sloky potravy v moči.
Matematický model systému příjmu potravy
Za jednotku času dojde k předání určité sloky potravy mezi jednotlivými prvky systému a tím ke změně hodnot stavových veličin, které je popisují. Jednotlivé výměny za jednotku času popisují konstanty uvedené na obr. 4.20. Na jeho základě můeme zapsat matematický model systému :


Simulační model systému příjmu potravy
Na obr. 4.22 {soubor POTRAVA.SIP} je uveden simulační
model systému příjmu potravy pro případ, kdy v čase t = 0 byl aludek naplněn potravou
C1(0) = 10 [jednotka potravy] a dalí přísun potravy se neuskutečňuje (kI= 0). Skutečnost, e přesun sloky potravy
z krve do moče probíhá a po překročení určité hladiny koncentrace je realizována
pomocí bloků č. 13 a 14. Na obr. 4.23 vidíme výsledek chování systému.
Hotový model vyuijeme k simulaci chování systému příjmu potravy při dávkovém přísunu potravy. Potrava bude přiváděna
do systému v malých mnostvích v pravidelných intervalech. Model systému doplníme o bloky realizující
tuto skutečnost, viz obr. 4.21 {soubor POTRAVA2.SIP}. Současně změníme počáteční podmínku C1(0) = 0.
Na obr. 4.24 je zobrazen průběh vstupní veličiny do systému (přísun potravy), na obr. 4.25 pak chování systému.
Závěr
Na simulačním modelu jsme ukázali chování systému příjmu potravy. Jednoduchou změnou vstupního přísunu potravy můeme zkoumat jeho vliv na chování systému, zátě jednotlivých prvků systému apod.
Často pouívaným je model systému kořist - dravec ( co je zjednoduená aplikace kapitoly systém příjmu potravy ), viz obr. 4.26. Předpokládáme, e kořist má neomezený přísun potravy a dravci se iví jen touto kořistí. Jedná se o dosti podstatné zjednoduení, ale jak si ukáeme i tak můeme učinit řadu zajímavých zjitění.
Matematický model systému kořist-dravec
Systém můeme popsat dvojicí rovnic. První rovnice popisuje změnu mnoství kořisti. Předpokládáme přitom, e změna mnoství kořisti je způsobena přírůstkem kořisti díky rozmnoování a hubením kořisti dravci, přirozená úmrtnost kořisti se neuvauje:
kde je
x(t) - mnoství kořisti,
y(t) - mnoství dravců,
k1 - konstanta určující relativní rodivost kořisti za jednotku času,
k2 - konstanta určující relativní kořistění (je závislé jak na mnoství dravců, tak mnoství kořisti).
Druhá rovnice popisuje změnu mnoství dravců za jednotku času :
kde je k3 - parametr účinnosti přeměny energie z biomasy kořisti na biomasu dravců,
k4 - relativní úmrtnost dravců.
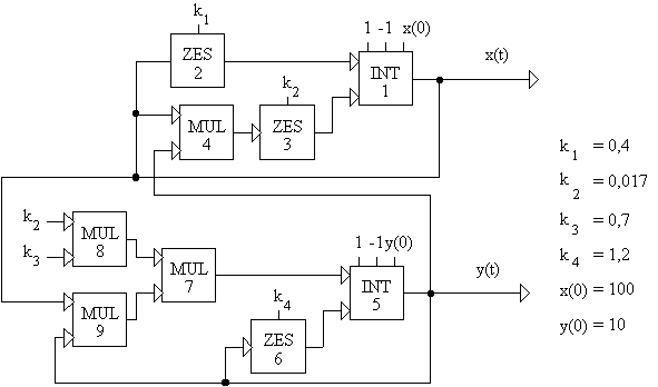
Simulační model systému kořist-dravec
Na obr. 4.27 {soubor KOR_DRAV.SIP} je uveden simulační model systému kořist-dravec. Na obr. 4.28 vidíme výsledek chování systému pro dva případy. Tučnou čarou je zobrazeno chování systému bez zásahu člověka. Předpokládaná rodivost kořisti je k1 = 0,4. Tenkou čarou je zobrazen systém se zásahem člověka, který odloví část kořisti, toto odlovení je úměrné aktuálnímu mnoství kořisti a proto ho můeme do modelu zavést jako sníení rodivosti kořisti na hodnotu k1 = 0,2. Vidíme, e průměrná hodnota, kolem které kmitalo mnoství kořisti zůstala zachována, pouze se zmenila amplituda kmitání. U dravců vak dojde ke sníení průměrného mnoství dravců. Znamená to, e zásah ve skutečnosti ovlivnil hlavně dravce.
Na stejném modelu nyní ukame vliv člověka, který způsobí svými zásahy zvýení relativní úmrtnosti dravců o 50%, z hodnoty k4 = 1,2 na hodnotu k4 = 1,8. Na obr. 4.30 je tučně zobrazeno chování systému bez zásahu člověka, tence se zásahem. Vidíme, e průměrná hodnota, kolem které kmitalo mnoství kořisti se výrazně zvýila, amplituda kmitání se zvýila rovně. Mnoství dravců sice sleduje vývoj mnoství kořisti, ale v minimech je mnoství dravců tak malé, e hrozí jejich úplné vyhubení.
Verifikace simulačního modelu systému kořist-dravec
Provedené simulační výstupy je nutno nyní verifikovat s výsledky pozorování systému v přírodě, můe to být např. systém hraboi-káňata, viz obr. 4.32. Přitom si musíme uvědomit, e ji tato pozorování jsou z technického pohledu zatíena dosti značnou chybou a to řádově i přes 5 - 10%. Dosaení shody simulačního výstupu s pozorováním s přesností na 5 - 10% je tedy mono povaovat za dostatečné.
Experimenty s modelem systému kořist-dravec
Simulační model je nyní připraven k experimentům. Ukame si nyní např. zjitění, jak bude systém reagovat na plynulé zhorování ivotního prostředí, které způsobí, e během následujících 100 let dojde ke sníení relativní rodivosti kořisti na polovinu současné hodnoty a současně zvýení relativní úmrtnosti dravců o polovinu současné hodnoty. Výsledek simulace vidíme na obr. 4.33 {soubor KOR_DRA2.SIP}.
Závěr
Sestavili jsme zjednoduený matematický model systému kořist-dravec a provedli simulaci jeho chování. Srovnáním s naměřenými hodnotami byla zjitěna dobrá shoda se skutečností. Pomocí simulačních experimentů jsme pak mohli předpovědět jaký bude dalí vývoj tohoto systému v závislosti na působení člověka.
Posledním modelem ( předchozí modely byly systém příjmu potravy a systém kořist-dravec ) je zjednoduený systém přenosu energie v jezerním ekosystému. Celý systém je poměrně komplikovaný, jak vidíme na obr. 4.34.
Pro nae potřeby provedeme zjednoduení, budeme předpokládat, e systém obsahuje tři prvky - rostliny, herbivory a karnivory. Vstupem do systému je energie slunečního záření. Stav jednotlivých prvků popisují stavové veličiny, které vyjadřují mnoství biomasy udané jako energie vázaná v biomase vztaená na jednotku plochy nebo objemu. Na obr. 4.35 vidíme schéma předávání biomasy za jednotku času.
Část biomasy se přitom ztrácí respirací a část jiným propadem energie (odumírání, exkrementy). Konstanty uvedené v obr. 4.35 udávají rychlost přenosu energie z jednoho prvku systému do druhého, jejich rozměrem je [rok-1]. Za jednotku času se tedy přenese mnoství energie dané součinem konstanty a aktuálního mnoství biomasy ve zdrojovém prvku.
Matematický model přenosu energie v jezerním ekosystému
Celý systém pak můeme popsat pomocí trojice stavových rovnic (člen 1/365 slouí ke změně rozměru konstant z [rok-1] na [den-1]) :

kde je
f0 - energetický vstup sluneční energie [kJ m-2den-1],
x1 - energie biomasy rostlin [kJ m-2],
x2 - energie biomasy herbivorů [kJ m-2],
x3 - energie biomasy karnivorů [kJ m-2],
i - rychlost ztráty biomasy respirací [rok-1],
i - rychlost ostatních ztrát biomasy [rok-1],
fi - rychlost toku biomasy mezi prvky systému.
Energetický vstup sluneční energie do systému je přitom popsán rovnicí :

Průběh vstupu sluneční energie je zobrazen na obr. 4.36.
Hodnoty potřebných konstant uvádí následující tabulka :
| 1 | rostliny | 250 000 | 0,48 | 1 | 2,55 |
| 2 | herbivoři | 7 000 | 4,85 | 6,9 | 6,12 |
| 3 | karnivoři | 8 000 | 2,7 | 1,95 |
Simulační model přenosu energie v jezerním ekosystému
Na obr. 4.37 {soubor JEZ_EKOS.SIP} je uveden simulační model systému přenosu energie v jezerním ekosystému. Na obr. 4.38 vidíme výsledek chování systému. Pro lepí zobrazení bylo pro průběh x2 a x3 pouito jiné měřítko - na pravé straně grafu.
DYKYJOVÁ, D. aj. 1989. Metody studia ekosystémů. Praha: Academia, 1989.
FARB, P. 1977. Ekologie. Praha: Mladá fronta, 1977.
KŘÍOVÁ, E. aj. 1992. Veobecná ekológia. Zvojen: TU, 1992.
KVASNIČKOVÁ, D. 1991. Základy ekologie. Praha: SPN, 1991.
LOSOS, B. aj. 1984. Ekologie ivočichů. Praha: SPN, 1984.
LOSOS, B. aj. 1987. Základy obecné ekologie. Praha: SPN, 1987.
MADER, S. S. 1988. Inquiry into Life. Iowa: Dubuque, Wm.C.Brown Publishers, 1988.
Metodika biomonitoringu v CHKO a NP. Praha: MP ČR, 1992.
NEUMANNOVÁ, M. a FARANA, R. 1994. Ekologie. Prozatímní učební text. Ostrava: Katedra ochrany ivotního prostředí HGF VB, 1994.
NAVÁK, M., FÁBER, J. a KUFUDAKI, O. 1993. Neuronové sítě a informační systémy ivých organismů. Praha: Grada, 1993
ODUM, E. P. 1977. Základy ekologie. Praha: Academia, 1977.
PAZOUREK, J. 1992. Simulace biologických systémů. Praha, Grada, 1992.
PIVNIČKA, K. 1988. Ekologie. Praha: SPN, 1988.
SLAVÍKOVÁ, J. 1986. Ekologie rostlin. Praha: SPN, 1986.
STARR, C. 1991. Biology - Concept and Aplicantion.Wadsworts: Publishing Company, 1991.
STILING, P. D. 1992. Introductory Ecology. Prentice Hall, Inc., A Simon & Schuster Company, Englewood Cliffs, New Jersey, 1992.
TöLGYESSY, J. a FARGÁOVÁ, A. 1986. Základy ekológie a toxikológie. Bratislava: STU, 1986.