1. Vizualizace pohybu tělesa v pružném prostředí

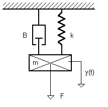
Úkolem je vyřešit pohyb tělesa o zadané hmotnosti, které je vázáno (upevněno) k tuhému rámu a v čase t = 0 na něj začíná působit síla F. Těleso zastoupíme hmotným bodem o hmotnosti m [kg], upevnění nahradíme působením pružiny s danou konstantou tuhosti k [Nm-1] a  tlumením s udaným koeficientem tlumení B [N s m-1]. Na obrázku 1.1 je symbolicky zakreslena celá situace.

Obrázek 1-1 Těleso upoutané k tuhému rámu

Na těleso působí čtyři síly, které musí být v rovnováze :

(1.1)

kde je

m

-hmotnost tělesa

 

k

-konstanta tuhosti pružiny (pružného upevnění)

 

B

-koeficient tlumení

 

y

-poloha tělesa

 

F

-budící síla

 

t

-čas

Zvolením počátečních podmínek (F=0, =0, =0) a L - transformací rovnice (1.1) dostaneme popis modelu ve tvaru přenosu.

(1.2)

po úpravě:

(1.3)

kde je

T

- setrvačná reálná konstanta, , [s]

 

koeficient poměrného tlumení,

 

K

konstanta zesílení, ,

 

konstanta doznívání, ,

Vizualizace v prostředí InTouch 7.0

Obrázek 1-2 Hlavní okno aplikace “Pružinka” simulující pohyb tělesa v pružném prostředí

Vizualizace tohoto modelu je provedena v aplikaci s názvem “Pružina” tak, aby ji bylo možné spustit i demoverzi modulu InTouch 7.0 bez hardwarového klíče.

Pro popis pohybu v prostředí InTouch byl použit aplikační skript s následujícími rovnicemi proměnných:

T = Sqrt( hmotnost / tuhost );
ksi = (tlumeni / 2) / Sqrt( hmotnost * tuhost );
gama = ksi / T;
omega = (1 / T) * Sqrt( 1 - ksi * ksi );
Výsledný vzorec je pak:
cassimulace = cassimulace + 0.1;
vychylka = (sila / tuhost) * (1 / (omega * T * T)) * (2.72 * Exp((-1) * gama * cassimulace) ) * Sin(( omega * cassimulace)*180/3.14 );

Jednotlivé proměnné jsou definovány v novém objektu InTouch 7.0 se jménem TagBrowser, určeném pro práci s databází proměnných, viz obrázek 1-3.

Obrázek 1-3 Objekt TagBrowser pro výběr proměnných z aplikace “Pružinka”

Okna v aplikaci:

Logovací Toto okno slouží pro nalogování operátora a spouští se jako první.

Pružinka Hlavní okno, ve kterém běží samotná vizualizace, viz obrázek 1-2.

Help Okno, ve kterém je zobrazena HELP aplikace

Potvrzení alarmu Okno, které vyskočí do popředí při překročení povolené výchylky.

Proměnné cassimulace a vychylka jsou typu DDE real, protože je u nich použita dynamická výměna dat s aplikací Microsoft Excel.

Ovládání aplikace “Pružinka”

Aplikace je vytvořena tak, aby umožňovala intuitivní ovládání. Jako první se v aplikaci spustí okno logovací, které nám slouží, jsme-li přihlášeni jako operátor Pavel s heslem Pavel, měnit parametry soustavy. Přihlásíme-li se jako operátor Administrator s heslem Wonderware, pak nemůžeme měnit parametry soustavy. Z okna se dostaneme zmáčknutím tlačítka Skryj okno. Pak se již nacházíte v hlavním okně, kde je samotná vizualizace. Tu můžeme spustit tlačítkem stojí a zastavit tím samým tlačítkem běží. Chcete-li spustit help, zmáčkneme tlačítko help. Pro změnu práv v systému použijeme tlačítko operátor, které nám spustí okno logovací. Dosáhne-li proměnná výchylka alarmové hodnoty, otevře se okno, které nám oznámí vzniklý alarm.


Zdrojové soubory pro InTouch (ZIP 176 kB)